电动葫芦
 
 
门式起重机
 
 
桥式起重机
 
 
特种起重机
 
 
其它系列
 
 
 
 
 电话:0513-83122779
 传真:0513-81164009
 手机:13773882779(张经理)
    13862873279(张经理)
    18906282779
 地址:南通市启东人民西路西郊转
    盘东50米路南
 


   
   产品中心--特种起重机  
     
 
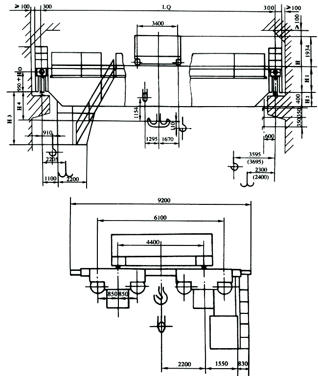
75/20-80/20吨变频调速桥式起重机
 
     
 
 
 
 
                
巨人起重机---
起重机行业的巨人品牌
 电动葫芦| 门式起重机| 桥式起重机| 特种起重机| 其它系列| 
         启东市汇龙镇巨起起重机机械经营部
      地址:南通市启东人民西路西郊转盘东50米路南